联系方式:

张文丽:13880962146;13340990852

景彦峰:13980033177

电话:028-84509526

邮箱:wankemu@163.com

传真:028-84509526

地址:成都经济技术开发区南京路308号

干式涡旋泵

TriScroll 300

 

安捷伦科技独特的 TriScroll 系列专利产品具有双级干式涡旋泵,可以提供高抽速和极佳的极限真空度。干式涡旋泵避免了油密封旋片泵需要经常维护的麻烦,很容易达到法规和环保方面的要求,并且节省了处置废油带来的成本。Agilent TriScroll 干式涡旋泵具有公认的可靠性和耐久性,并具有稳定的性能和极低的使用维护成本。

TriScroll 300 泵的抽速为 300 L/min。

 

 

 

 

 

特性

 

  • 高抽速(250 升/分)和低极限压力可提供洁净的无油真空
  • 使用寿命长的密封条通常每年只需更换一次
  • 轴承吹扫口可简化维护并延长轴承寿命
  • 自动气镇在不降低抽速的情况下控制水蒸汽

 

 

 

性能指标

 

技术指标

 

抽速

60 Hz 250 L/m15 m3/h8.8 cfm 50 Hz 210 L/m12.6 m3/h7.4 cfm

极限真空

1.3 x 10-2 mbar (1.0 x 10-2 Torr)

最大进气口压力

1.0 atm (0 psig)

最大出气口压力

1.1 atm (1.5 psig)

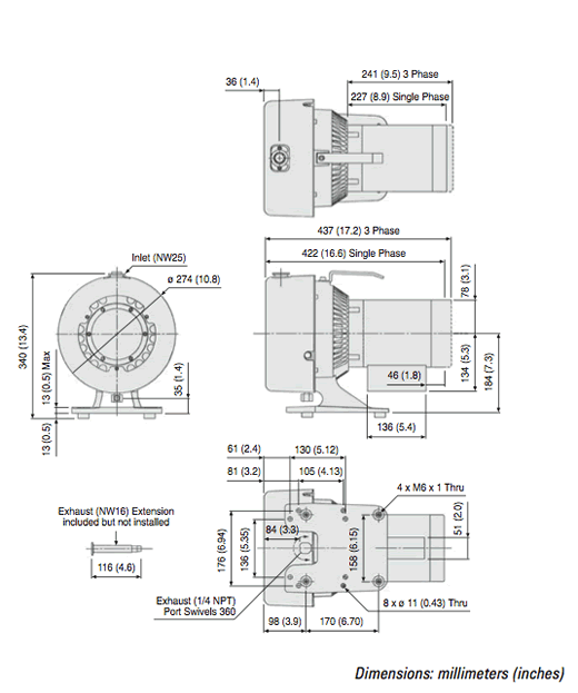
进气口连接

NW25

排气口连接

1⁄4 英寸 NPT 内螺纹,可旋转(提供 NW16 转接头)

气镇

1⁄4 英寸 NPT 内螺纹(出厂时已安装 40 μm 过滤器,提供端口塞)

工作电压(1 相型号)

50/60Hz/100 - 115200 - 230 VAC

工作电压(3 相型号)

50 Hz/200-230380 - 415 VAC60 Hz/200 - 230460 VAC

重量

只有泵时:26.4 kg58 磅)运输重量:34.2 kg75 磅)

法规认证

CE, CSA/CUS

 

 

 

 

 

抽速图

 

 

 

 

 

外形图

 

 

上一篇:TriScroll 600 变频泵

下一篇:TriScroll 300 变频泵

地址:成都经济技术开发区南京路308号 电话:028-84509526   手机:张文丽 13880962146   13340990852  
          景彦峰   13980033177 传真:   028-84509526 邮箱:  wankemu@163.com RSS订阅 
版权所有:机电设备类模板 备案号:备案中 页面执行时间0.0938秒 查询数据库10次